「ダストロジー」を標ぼうしてはいるが、研究対象の中心はもちろん酸化グラフェン系の反応媒体である。一言で「ダスト」と言っても、言うまでもなくさまざまな微小なゴミのことである。ダストと呼ばれる微小なゴミには、土ホコリ、砂ホコリ、綿ホコリ、毛髪、ペットの毛、食べ物のかす、人体からの垢やフケ、衣類等からの繊維クズ、紙の繊維、マイクロプラスチック、PM2.5、花粉、ダニの脚、ガソリン車の排気ガスからの煤(すす)、鉄道線路からの鉄粉、車道の路面とタイヤからのタイヤ摩耗粉塵等々と実に多様である。しかし、酸化グラフェンフィラメントのサンプル採取でも、市販の飲料品からの場合は、夾雑物はゼロではないとしても非常に少ない。
セロテープ貼り取り法の宿命?
しかし、ザウルス推奨のセロテープ貼り取り法によるサンプル採取の場合は、上記の多様なダストも一緒に採取されてしまう。酸化グラフェンのフィラメントだけを選んで採取するということはできない。とはいえ、セロテープ貼り取り法によるサンプルは、採取場所の環境が含むダストの構成比率を大まかに反映しているわけで、それはそれで重要な情報である。たとえば、屋内と屋外とでは当然ながらダストの絶対量とダストの構成比率が異なる。屋外の方が一般的に言ってダストは多いし、ダストの種類も多くなる。これはダストロジーの基本である。「ダストロジー(3)」では電車の車内でのダスト採取の例を紹介した。電車の車内であれば、サンプルの偏りが少なく、社会的な一般性があり、追試するにしても再現性があるからだ。
ホームの自販機だと手軽?
実はザウルスは電車の車内よりももっと手軽な採取場所をいろいろと探していた。誰にでもアクセスでき、誰にでも同じように採取でき、ひとに迷惑をかけずにさりげなく採取できる場所として、当初は駅のホームの飲料自販機のてっぺんを利用していた。飲料自販機は今日の日本の社会にあまねく存在しているので都合がいい。てっぺんがふつうの大人の背の高さより高くて上から見えず、滅多に掃除されないのがいい。たしかにどこの駅のホームにもあるので、ほとんど理想的に思えた。
しかし、いくつか問題があることがわかった。まず、ホームの飲料自販機はホームの屋根の下ではあるが、天然の外気に常にさらされているという意味ではほとんど屋外にあるに等しい。雨に濡れないだけで、常に土ホコリ、砂ホコリ、花粉、といった自然環境からの多様なダストが容赦なく吹きつけている。しかも、電車のホームに設置してあるため、電車の発着のたびに常に風にもまれている環境である。ほとんど目には見えないが、電車が通過するたびに常にレールと車輪の摩耗によって鉄粉が飛散している。この鉄粉が長い時間を経て酸化して赤さびとなる。地下鉄の場合は周辺環境への拡散の余地がほとんどないので、地下鉄利用者の吸う空気中の鉄粉の濃度は非常に高く、健康被害につながるほどだ。
駅の貸しロッカー?
いろいろな場所を試してみて、けっきょく駅の貸しロッカーだと多く採取できることがわかってきた。自販機と比較してみよう。
自販機も貸しロッカーも同じくらいの高さの金属の箱なので、どっちも同じようなものに思えるが、ダストロジー的には大きく違う点がある。以下に、「ホームの自販機 vs 駅構内の貸しロッカー」としてまとめてみた。以下、「フィラメント」とあるのは、言うまでもなく酸化グラフェンのフィラメントのことである。

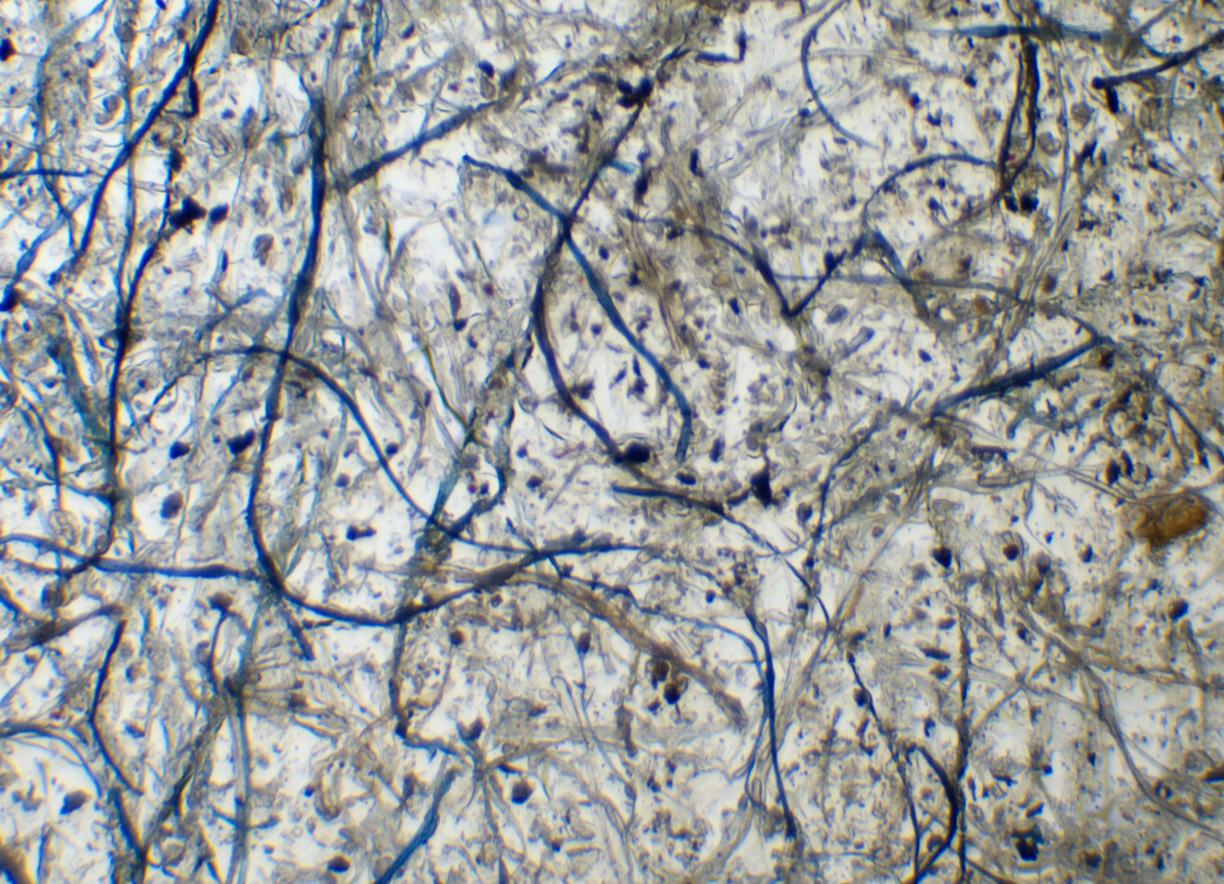
夾雑ダストは目に見えないレベルのマイクロダストがほとんど。自販機でも貸しロッカーでもこれからは逃れられない。さて、駅の貸しロッカーからのフィラメント採取の実際を動画にしてみたので、ぜひご覧いただきたい。場所はまずは東京駅である。
動画:ダストロジー(4)駅の貸しロッカーはフィラメントの宝庫?

採取したフィラメントのサンプルはラベルを貼って動かぬ証拠として保管してある。



フィラメントの色は青、黒、灰色(無色)、赤、緑、オレンジ色とさまざま。
しかし、これらのフィラメントはワクチンや、歯科麻酔薬などに見つかっている Oxido Grafeno (酸化グラフェン)と同種のものに見える?

ということは、とりもなおさず、ザウルスが今年の9月以来ビールや緑茶の中に発見してきたフィラメントと同種のもの?

違いは、ワクチンのバイアルやビールの缶といった容器内の液体中に見つかるのではなく、われわれの社会環境の空気中に大量にいくらでも見つかるということだ。誰でも簡単にサンプルを採取できる?


ただの汚いワタボコリと思っていたものの正体は何だったのか?

●いったいいつからこうなんだ?
●誰の仕業なんだ?
●どうやってこんなに拡散したんだ?
●健康被害は?
謎は深まるばかり?



コメント